Section 8.3
Delivery Pipe
When the EGR valve is open, the exhaust gas is directed into the EGR cooler, through the delivery pipe, and into the intake manifold.
Section 8.3.1
Removal of Delivery Pipe
Removal steps are as follows:
Note: Prior to performing the removal steps, ensure that the delivery tube is not hot.
|
PERSONAL INJURY |
|
To avoid injury from hot surfaces, wear protective gloves, or allow engine to cool before removing any component. |
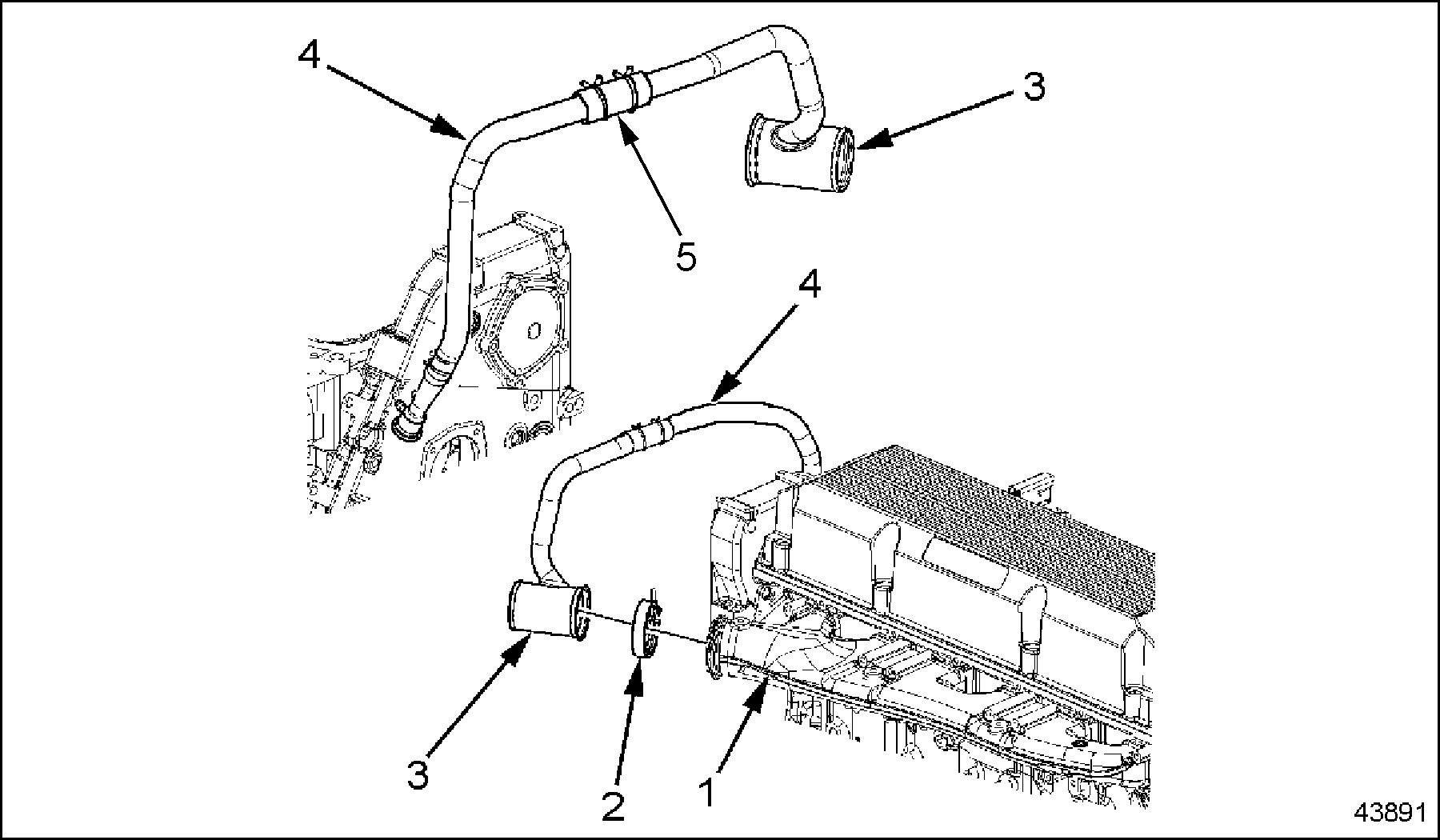
- Remove bolts securing the L-brackets to the camshaft gear cover. See Figure
"Delivery Pipe and Related Parts"
.

1. Bolt
4. P-Clip
6. Delivery Pipe
2. L-Bracket
5. Nut
7. EGR Temperature Sensor
3. Hose
Figure 1. Delivery Pipe and Related Parts
- Remove the bolt and nut from the two P-clips. See Figure "Delivery Pipe and Related Parts" .
- Remove the EGR Temperature Sensor from delivery pipe. See Figure "Delivery Pipe and Related Parts" .
- Remove the bolt that secures the P-clip and S-bracket to the exhaust manifold heat shield. See Figure
"Delivery Pipe and Related Parts"
.

1. P-Clip
4. Hose
7. Exhaust Manifold Heat Shield
2. S-Bracket
5. Venturi Tube
8. Air Lines
3. Mid-Section
6. Clamp
Figure 2. Delivery Pipe and Related Parts
- Disconnect the Delta P air lines from the venturi tube. See Figure "Delivery Pipe and Related Parts" for the location of the air lines.
- Loosen and remove the clamp that secures the venturi tube to the EGR cooler. See Figure "Delivery Pipe and Related Parts" .
- Loosen and remove the mixer clamp that secures the mixer to the intake manifold. See Figure
"Delivery Pipe and Related Parts"
.

1. Intake Manifold
3. Mixer
5. Clamps
2. Mixer Clamp
4. Delivery Pipe
Figure 3. Delivery Pipe and Related Parts
Section 8.3.2
Disassembly of Delivery Pipe
Disassembly steps are as follows:
- Remove the clamps that secures the rubber hose which connects the two sections of delivery pipe. See Figure "Delivery Pipe and Related Parts" .
- Remove the rubber hose from the two sections of delivery pipe. See Figure "Delivery Pipe and Related Parts" .
Section 8.3.2.1
Inspection of Delivery Pipe
Inspection steps are as follows:
- Visually inspect the rubber hose for cracks and splits.
- If the rubber hose is damaged, replace the component.
- If the rubber hose is not damaged, reuse the component for assembly.
- Visually inspect the hose clamps for damage.
- If the hose clamps are damaged, replace as necessary.
- If the hose clamps are not damaged, reuse the component for assembly.
- Visually inspect the venturi section, mixer section, and mixer for damage.
- If the delivery pipe sections or mixer are damaged, replace sections as necessary.
- If the delivery pipe sections and mixer are not damaged, reuse the sections for assembly.
Section 8.3.3
Assembly of Delivery Pipe
Assembly steps are as follows:
|
NOTICE: |
|
Before the hose is installed on the delivery pipe ensure there are not any sharp edges present that can cut the hose liner. |
|
NOTICE: |
|
If hose clamps have been removed from delivery pipe, they must be reinstalled prior to hose installation. |
|
NOTICE: |
|
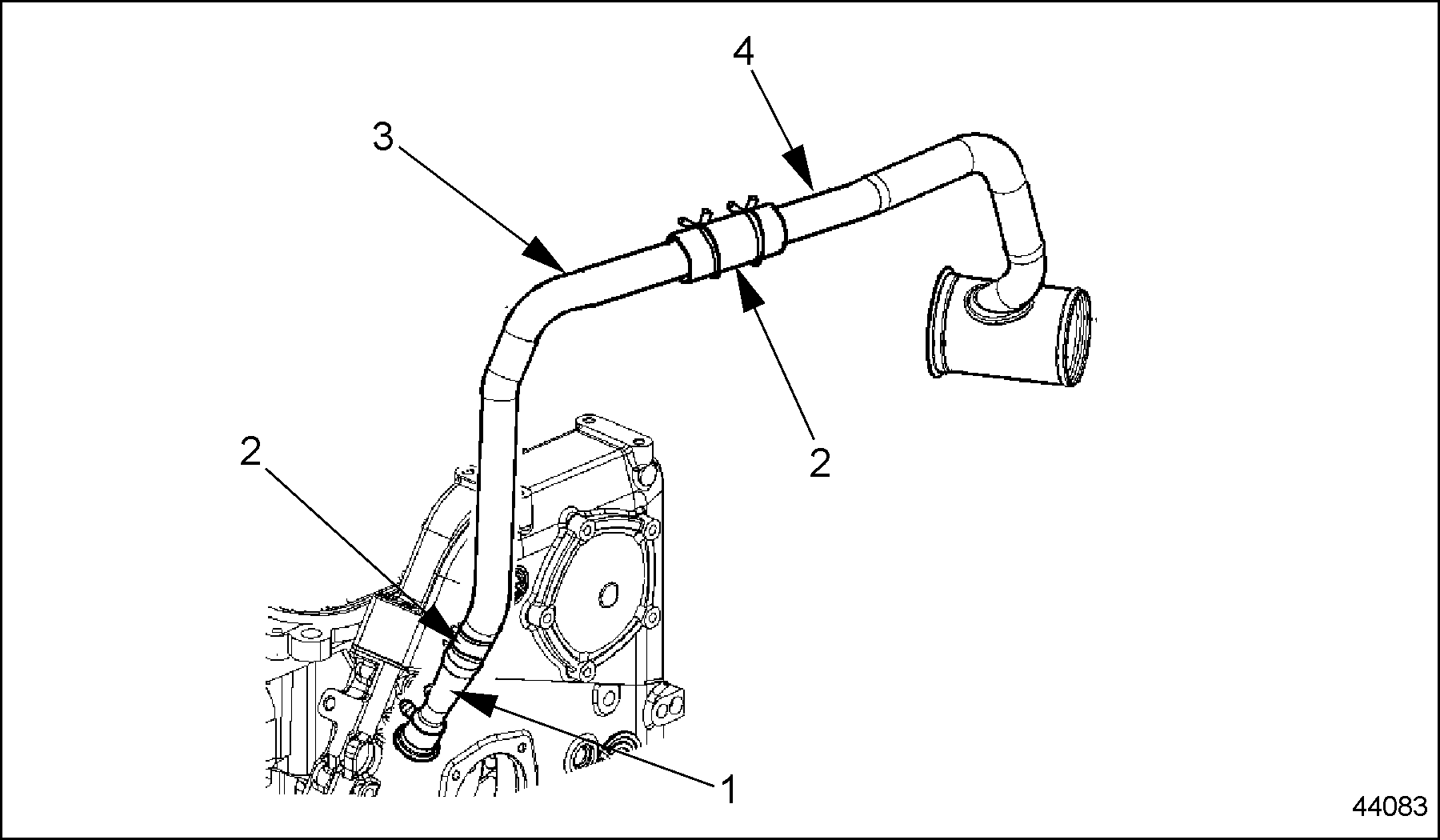
When installed on the hose, ensure the clamps are seated against the beads on the delivery pipe mixer section, mid-section and venturi tube. Do not over stretch the clamp, open it (the clamp) enough to clear hose. See figure "EGR Delivery Pipe Before Installation" and see Figure "Delivery Pipe and Related Parts" . |

|
1. Delivery Tube |
3. Pipe Bead |
|
|
2. Hose Clamp |
|
Figure 4. EGR Delivery Pipe Before Installation

|
1. Hose Clamp |
2. Hose |
Figure 5. Delivery Pipe and Related Parts
- Install the rubber hose to the venturi-section of the delivery pipe and secure with mixer clamp.
- Insert the mixer section of the delivery pipe into the rubber hose and secure with the clamp. Ensure that the top of the delivery pipe is horizontal. See Figure
"Delivery Pipe Mixer-Section and Related Parts"
.

1. Mixer
3. Clamp
2. Rubber Hose
4. Mixer Section
Figure 6. Delivery Pipe Mixer-Section and Related Parts
Section 8.3.4
Installation of Delivery Pipe
Installation steps are as follows:
- Install mixer section of the delivery pipe to the intake manifold and secure with band clamp. See Figure
"Delivery Pipe and Related Parts"
.

1. Intake Manifold
3. Mixer
5. Clamps
2. Mixer Clamp
4. Delivery Pipe
Figure 7. Delivery Pipe and Related Parts
- Install the venturi tube to the EGR cooler and secure with clamp. See Figure
"EGR Cooler and Delivery Pipe"
.

1. Clamp
3. EGR Cooler
2. Venturi-Section
4. Air Lines
Figure 8. EGR Cooler and Delivery Pipe
- Install Delta P air line fittings to the venturi tube. Torque fittings to 12 N·m (106 lb·ft). See Figure "EGR Cooler and Delivery Pipe" for location of air lines.
- If removed, install rubber hose onto the venturi section and secure with clamp. See Figure
"Venturi Section and Related parts"
.

1. P-Clip
4. Hose
7. Exhaust Manifold Heat Shield
2. S-Bracket
5. Venturi Tube
8. Air Lines
3. Mid-Section
6. Clamp
Figure 9. Venturi Section and Related parts
- Ensure that the venturi section of the delivery pipe is aligned with the mid section of the delivery pipe. See Figure
"Delivery Pipe and Related Parts"
.

1. Venturi Section
3. Mid Section
2. Hose
4. Mixer Section
Figure 10. Delivery Pipe and Related Parts
- Loosely install two gusseted L-brackets to the top of the camshaft gear cover. See Figure
"Delivery Pipe and Related Parts"
.

1. Bolt
4. P-Clip
6. Delivery Pipe
2. L-Bracket
5. Nut
7. EGR Temperature Sensor
3. Hose
Figure 11. Delivery Pipe and Related Parts
- Loosely attach the delivery pipe to the gusseted L-brackets with two P-clips. See Figure "Delivery Pipe and Related Parts" .
- Loosely attach the delivery pipe to the forward exhaust manifold heat shield with a P-clip and S-bracket. See Figure
"Delivery Pipe and Related Parts"
.
NOTICE:
Make sure that the P-clip is mounted behind the S-bracket.
Notice:
On some models the delivery tube is clipped to a bracket on the alternator. Ensure correct alignment before torquing.
- Torque the clamp at the delivery tube to intake mixer to 12 N·m (106 lb·in.).
- Torque the clamp at the delivery tube to cooler to 12 N·m (106 lb·in).
- Torque the L-Bracket bolts on the camshaft gear cover to 58-73 N·m (43-54 lb·ft).
Notice:
The camshaft gear cover is aluminum. Over tightening the bolt can strip threads in the camshaft gear cover.
- Torque the bolt and nut connecting the two P-clips to the gusseted L-brackets to 30-38 N·m (22-28 lb·ft).
- Torque the bolt into the heat shield to 30-38 N·m (22-28 lb·ft).
| Series 60 Service Manual - 6SE483 |
| Generated on 10-13-2008 |